0
问答首页 最新问题 热门问题 等待回答标签广场
我要提问

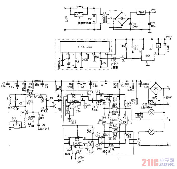
遥控电路电源

用电视遥控器关断用电器电源电路图

用电视遥控器关断用电器电源电路图
提问者:iuwwufjsd 地点:- 浏览次数:8501 提问时间:12-21 17:29
我有更好的答案
提 交
1条回答
hanlinceshi 12-31 09:53

当红外线接收管PH302接收到来自遥控器的信号时,经CX20106A选频放大器输出一个低频信号,此低电平信号经D及R对C充电,使C负端电压逐渐下降。当C负端电位下降到低于1/3Vcc时,555电路放电管截止,继电器触电释放,切断供电电源。电路中RC可设置动作灵敏度,一般按下遥控器3~5秒即可。接通电源时按下S1电路即被继电器自锁。

用电视遥控器关断用电器电源电路图.gif

撰写答案
提 交
1 / 3
1 / 3
相关遥控电路
遥控放大器电路图
遥控器编码式红外发射电路
遥控器编码式红外发射电路
遥控自动门电路a
具有60条指令的红外遥控接收器
相关电源
TDA16846组成的彩电开关电源原理图
联想LX-PL4C2型彩色显示器开关电源电路
长虹CN-9机心彩电开关电源电路
索尼KV2184彩电开关电源电路
王牌TCL-3460D彩电开关电源电路