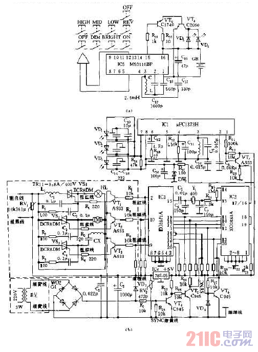
如图是一种豪华吊扇(吊灯)调光、调速遥控电路。此电路可以开启灯光,并实施无级调光、且亮度可以记忆。开启风扇(吊扇),并可以分高、中、低三挡调速,实施风扇的正转和反转。其稍加改动后还可以控制窗帘的启闭及音响室背景灯的亮度,配有遥控手机,使用非常方便。
电路原理:遥控发射器电路如图所示,它使用三菱公司的录像机、电视机上专用的30功能红外线遥控发射专用大规模集成电路M50110BP,其内部由键盘输入编码器、指令译码器、振荡器、定时信号发生器、扫描信号发生器、编码调制和输出缓冲器等部分组成。此芯片使用3V低压供电,且振荡器在未按下任何键之前不起振,可以节省用电。本电路有5X6键盘矩阵,共发射30条指令。
