0
问答首页 最新问题 热门问题 等待回答标签广场
我要提问

遥控电路电话机振铃电路

光控振铃电路图

光控振铃电路图
提问者:www034 地点:- 浏览次数:5800 提问时间:03-25 12:49
我有更好的答案
提 交
1条回答
uvysdfydad 04-04 01:24

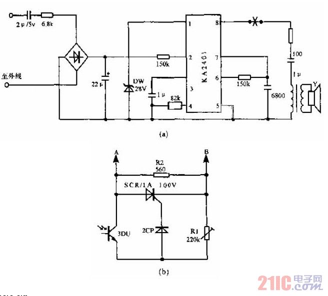
普通电话振铃电路多采用KA2401及外围元件构成,加装光控制铃时,只需在国(a)的“X”处接入国(b)所示的光控电路即可:外线有交流振铃信号输入时,KA2401的8脚输出二音色振铃信号,若是白天,光敏管3DU电阻较小,可控硅SCR导通,振铃声较大;若是夜间无光照,3DU阻值很(数兆欧),振铃信号只能通过R2衰减后通过,振铃声就小多了。

光控振铃电路图.jpg

撰写答案
提 交
1 / 3
1 / 3
相关遥控电路
遥控放大器电路图
遥控器编码式红外发射电路
遥控器编码式红外发射电路
遥控自动门电路a
具有60条指令的红外遥控接收器
相关电话机振铃电路
有源负载及振铃信号检测电路
音调振铃器1电路图
电话振铃检测电路图
给电话振铃增加可视判断电路图
电话振铃器