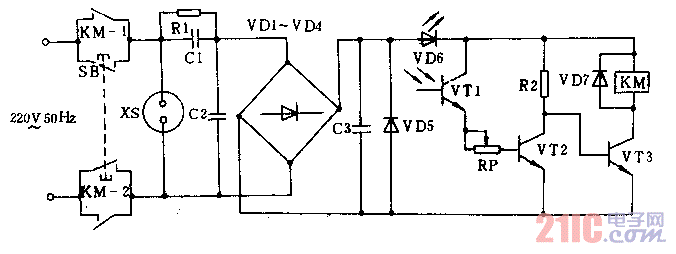
工作原理如图1所示。它是一个光控断电遥控装置,可以用于电简的光线进行触发。电路由两部分组成:一部分是光控电路;另一部分是受控电路。其中光控部分由光电三极管VT1、电位器RP相三极管VT2组成。受控部分由三极管VT3和继电器KM组成。按下按键开关SB时,稳压二极管vD5两端获得十l 2V的直流电压.发光二极管VI)6显示工作。由子vT1未受到手电简的照射,其vTl的c?之间为反偏电阻,vT2截止,vT2集电极为高电位,VT3饱和导通,继电器KM动作.触点KM—1tKM—2闭合,插座XS特有220V交流电源。当于电光照到VTl时,VTl的C-E间为反偏电阻,阻值变小使vT2导通,vT2集电极为低电位,vT3截止,继电器KM将释放,触点KM—1、KM—2断开,xs上电源则被切断。电阻Rl为电容C1提供泄放电流回路。vD7为保护二极管。
