0
问答首页 最新问题 热门问题 等待回答标签广场
我要提问

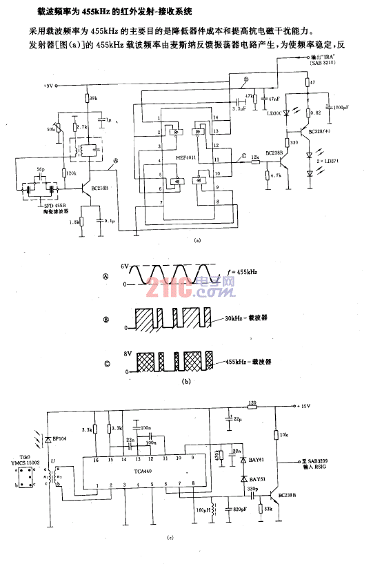
遥控电路红外发射电路红外接收电路

红外发射接收系统

红外发射接收系统
提问者:asd013 地点:- 浏览次数:7580 提问时间:12-12 06:29
我有更好的答案
提 交
1条回答
60user191 12-18 11:25
点击看大图
撰写答案
提 交
1 / 3
1 / 3
相关遥控电路
遥控放大器电路图
遥控器编码式红外发射电路
遥控器编码式红外发射电路
遥控自动门电路a
具有60条指令的红外遥控接收器
相关红外发射电路
遥控器编码式红外发射电路
简单的连续波单音红外光束发射器电子图
M50119P(电视机)红外线遥控发射电路
采用陶瓷谐振器的红外发射电路
红外发射电路
相关红外接收电路
具有60条指令的红外遥控接收器
红外接收机电路图
红外接收机电路图
红外接收机电路图
KA2181(电视机和录像机)红外线遥控接收前置放大电路