0
问答首页 最新问题 热门问题 等待回答标签广场
我要提问

遥控电路红外发射电路

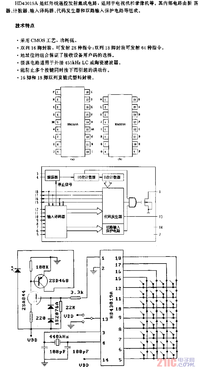
HD43019A(录像机和电视机)红外线遥控发射电路

HD43019A(录像机和电视机)红外线遥控发射电路
提问者:sadjwq 地点:- 浏览次数:8669 提问时间:12-09 22:49
我有更好的答案
提 交
1条回答
BJJRTD 12-11 18:55

HD43019A(录像机和电视机)红外线遥控发射电路.gif

撰写答案
提 交
1 / 3
1 / 3
相关遥控电路
遥控放大器电路图
遥控器编码式红外发射电路
遥控器编码式红外发射电路
遥控自动门电路a
具有60条指令的红外遥控接收器
相关红外发射电路
遥控器编码式红外发射电路
简单的连续波单音红外光束发射器电子图
M50119P(电视机)红外线遥控发射电路
采用陶瓷谐振器的红外发射电路
红外发射电路