0
问答首页 最新问题 热门问题 等待回答标签广场
我要提问

遥控电路遥控电路

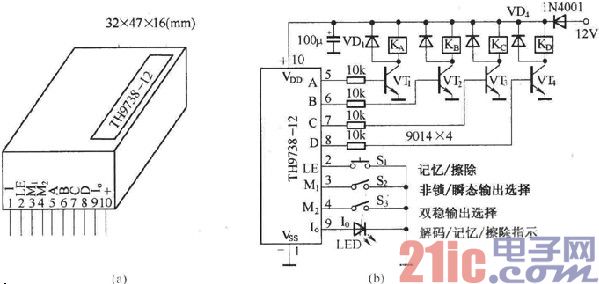
遥控接收解码元件TH9738电路图

遥控接收解码元件TH9738电路图
提问者:taozhen 地点:- 浏览次数:5752 提问时间:06-27 01:37
我有更好的答案
提 交
1条回答
柯景文爱旅游 06-30 23:29

遥控接收解码元件TH9738电路图如下所示:


遥控接收解码元件TH9738电路图.jpg

撰写答案
提 交
1 / 3
1 / 3
相关遥控电路
遥控放大器电路图
遥控器编码式红外发射电路
遥控器编码式红外发射电路
遥控自动门电路a
具有60条指令的红外遥控接收器
相关遥控电路
遥控放大器电路图
遥控器编码式红外发射电路
遥控器编码式红外发射电路
遥控自动门电路a
具有60条指令的红外遥控接收器