0
问答首页 最新问题 热门问题 等待回答标签广场
我要提问

遥控电路红外遥控电路

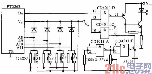
PT2262通用红外遥控40HZ载波信号发生电路图

PT2262通用红外遥控40HZ载波信号发生电路图
提问者:hope710 地点:- 浏览次数:7663 提问时间:08-26 09:40
我有更好的答案
提 交
1条回答
ll1589179925 08-31 22:29

通用红外遥控电路40KHz载波信号产生电路PT2262用作红外发射器的电路,当S1~S4任意一个或几个按下时,PT2262加电电工作,开始输出脉冲数据流。同时,由CD4011:CD4011:B组成脉冲振荡器也开始振荡,振荡频率可由22Ω电位器精确调整为40KHz,此频率即为红外载波频率。PT2262输出的脉冲数据流在CD4011:D对40KHz载波进行调制,然后经三极管驱动红外发光二极管发射出红外光信号。


PT2262通用红外遥控40HZ载波信号发生电路.jpg
撰写答案
提 交
1 / 3
1 / 3
相关遥控电路
遥控放大器电路图
遥控器编码式红外发射电路
遥控器编码式红外发射电路
遥控自动门电路a
具有60条指令的红外遥控接收器
相关红外遥控电路
具有60条指令的红外遥控接收器
红外遥控双功能插座电路图
使用PH302的红外遥控接收电路
红外灯遥控开关电路图
遮断式红外控制电路图