0
问答首页 最新问题 热门问题 等待回答标签广场
我要提问

遥控电路红外遥控电路

采用声控红外遥控开关电路图

采用声控红外遥控开关电路图
提问者:60user191 地点:- 浏览次数:4204 提问时间:06-05 22:40
我有更好的答案
提 交
1条回答
hy381 06-12 12:12

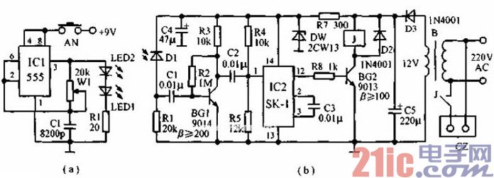
采用声控电路BH-SK-I的红外遥控开关发电路如下图所示,发生器为555组成的多谐振荡器,产生的脉冲驱动经外发射二极管发出红外脉冲信号。接收管与发射管配对选用,它将红外光脉冲变为电信号,经BG1前置放大,触发IC2声控集成电路BH-SK-I。受触发后其12脚输出高电平,使BG2导通继电器吸合插座CZ得电。若关机,只需要按一下发生器的按钮AN,IC2内部触发器翻转,输出低电平,BG2截止,继电器释放,插座失电。


采用声控红外遥控开关电路图
撰写答案
提 交
1 / 3
1 / 3
相关遥控电路
遥控放大器电路图
遥控器编码式红外发射电路
遥控器编码式红外发射电路
遥控自动门电路a
具有60条指令的红外遥控接收器
相关红外遥控电路
具有60条指令的红外遥控接收器
红外遥控双功能插座电路图
使用PH302的红外遥控接收电路
红外灯遥控开关电路图
遮断式红外控制电路图