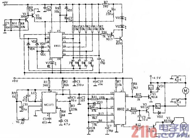
发射电路:当按下任一按键时,电源经VD2或VD4使V1、V2导通,集成电路得电,8801的9脚相应地输出-脉冲串,经V3、V4驱动,由红外发射管VI1、VI2辐射出去。
接收电路:红外信号由光电管从7脚输入MC3373,放大后的信号从1脚输出,送入译码器8802的12脚。当发射器“F”按下时,8802的11脚电压升为2.5V,V1导通,K1吸合,M正转。当接收到“B”信号时,11脚电压降低,18脚电压升为5V,K1释放,K2吸合,电机反转。按下“W”键时,9脚电压升高,V4、V5导通,可驱动100mA以下的直流电机,再按一下“W”,9脚复位。当接收机收到发射器的“S”信号时,8802复位,11、8、9脚都为0V.
