本遥控插座可用随身携带的微型无线电多位遥控器,遥控操作各路插座上电路的开与关。本电路可遥控四路插座,遥控距离15m。
发射器:发射器上的音频振荡器的音调由四位操作键上串联的不同电阻来确定,即不同频率的四组音频信号,将对应于被遥控的四个插座盒。
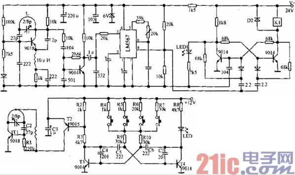
接收机:天线接收到发射机的信号经选频电路选出遥控载频信号,经放大后送入LM567的3脚进行频率比较,若与LM567的6脚设定的音频频率一致,则8脚电平由高变低,触发双稳态电路,使其状态发生变化,继电器吸合或断开。从而控制负载的通断。四路电路区别在LM567的6脚频率设置。
