
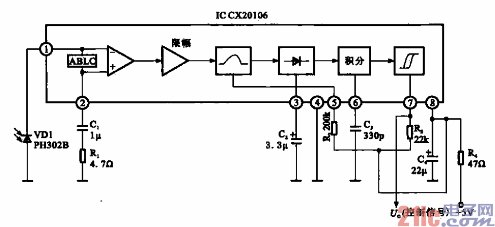
电视机的红外遥控接收电路如图所示,它是由红外接收二极管、CX 20106前置放大集成电路及
外围元件组成的。其中红外接收二极管VDI为一个PN墅光电二极管,当无光照射VD1反偏而无电流;
当有红外光照射时,VDI产生光电流,输入到CX 20106的第①脚,在放大器的输入阻抗上形成光信号电
压。在CX 20106的内部设有前置放大、限幅放大、滤波、检波及整形等电路,在前置放大电路的输入端
还设有自动亮度控制电路ABLC,可防止输入信号过大而使放大器过载。
从红外遥控电路发射出来的遥控信号是调制后的38 kHZ的脉冲信号,该信号由VDI检出,经放大、
限幅再游去杂散的调制干扰后,将较强的信号送往中心频率为38 kHz的带通滤波器。在带通滤波器的外
电路接有R2.调节该电阻值可使滤波器的中心频率在30~60 kHz范围内变化。滤波器输出的信号经检波
后得到指令码脉冲,再经积分及整形,最后由CX 20106的第⑦脚输出指令码脉冲。指令码脉冲经微处理
器处理后会发出相应的执行命令。