0
问答首页 最新问题 热门问题 等待回答标签广场
我要提问

遥控电路收音机电路

收音机无线遥控电路b

收音机无线遥控电路b
提问者:哥来也半步颠 地点:- 浏览次数:3780 提问时间:11-27 12:33
我有更好的答案
提 交
1条回答
60user160 12-01 06:10

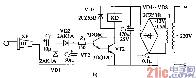
6.收音机无线遥控电路b.gif


接收器电路原理如图所示。把插头XP插入收音机的耳机插座xs,当收音机接收到发

射机的信号后,从xs输出的音频信号由VD1、VD2、c2整流滤波,所得直流信号加到由VT1、VT2构成

的复合管的基极,使其导通,继电器KD因此吸合。KD吸合,可以利用它的常开与常闭触点接到任意负载

电路中,实现接通或断开的无线遥控。

撰写答案
提 交
1 / 3
1 / 3
相关遥控电路
遥控放大器电路图
遥控器编码式红外发射电路
遥控器编码式红外发射电路
遥控自动门电路a
具有60条指令的红外遥控接收器
相关收音机电路
TA7781P/7781F FM/AM单片收音机电路
数字收音机芯片Si4730原理图及外围电路
收音机减少交流声的电路
收音机无线遥控电路a
汽车收音机用低频放大器电路图