本例介绍的红外遥控开关,可使用电视机、影碟机、录像机等家电的遥控器控制其开与关,而不需专用配套的遥控器。该遥控开关可用于控制照明灯和排风扇等电器。
电路工作原理
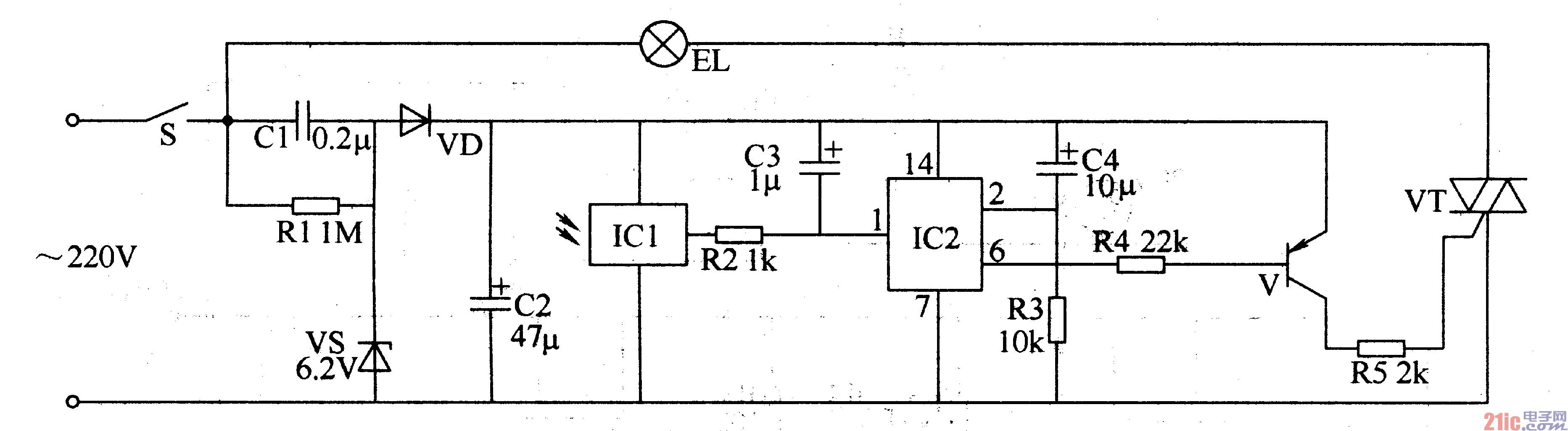
该红外遥控开关电路由电源电路、遥控接收电路、计数器电路和控制执行电路组成,如图3-1所示。

电源电路由电源开关S、降压电容器Cl、电阻器Rl、稳压二极管VS、整流二极管VD和滤波电容器C2组成。
遥控接收电路由红外接收头专用组件ICl和电阻器R2、电容器C3组成。
计数器电路由串行计数器集成电路IC2和电阻器R3、电容器C4组成。
控制执行电路由电阻器R4、R5、晶体管V和晶网管VT组成。
电视机等家电使用的红外遥控器,每秒约发送10组遥控编码脉冲,每组遥控编码脉冲之间有一定间隔。红外接收头ICl接收到遥控器发射的红外遥控信号并对其进行解调后输出,经R2、C3积分 (滤除每组脉冲中的编码信息)后从IC2的1脚加大,作为lC2的计数脉冲(每秒约10个脉冲)。1C2在收到8个脉冲(约0·8s)后,其6脚变为低电平或高电平,使V和VT导通或截止,负载(用电设备)的工作电源被接通或断开。
元器件选择
Rl-R5选用「/4W碳膜电阻器或金属膜咆阻器。
C1选用耐压值为400V以上的涤纶电容器或CBB电容器;C2-C4均选用耐压值为16V的铝电解电容器。
VD选用1N4007型硅整流二极管。
VS选用1/2W、6·2V硅稳压二极管。
V选用59015或58550、C8550型硅PNP晶体管。
VT选用3A、400V双问晶闸管。
ICl选用电视机用微型一体化封装红外接收头 (使用时加罩或加半透明滤色片),IC2选用CD4024型7位二进制串行计数器集成电路。
电路调试
电路安装完毕后,接上电压和负载,改变R5的阻值,使VT的Tl极与T2极之间的交流电压值为3V以下。