遥控电路

遥控发射器的具体电路组成如图所
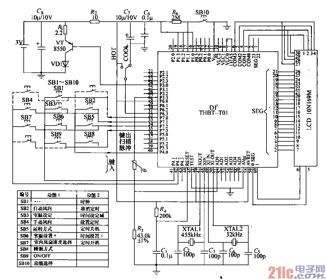
示。发射器主要由大规模集成电路芯片Dl’
(THBT- T01)、4s5kHz晶体振荡器、32kHz
晶体振荡器、液晶显示屏( LCD)、室温传感热
敏电阻RT、红外线发光二极管( LED)、激励
晶体管VT、键盘开关矩阵电路等元件组成。该发射器由两节5号电池供电,电压为3V。
2)双时钟脉冲振荡电路:该发射器采用双时钟脉冲振荡电路,其中由晶体XTAL1,电容C2、C3
( lOOpF)和Dl’的@、@脚组成455kHz时神振荡器,振荡器产生的455kHz的脉冲信号经分频以后产生
38kHz载频脉冲。由晶体XTAL2,电容C4、G(lOOpF)和集成电路D1 7的@、@脚组成32kHz(确切值
为32. 708kHz)的振葛器,其输出信号主要供时钟电路和液晶显示电路使用。
3)扫描脉冲发生器:Dl’的@~@脚是扫描脉冲发生器的4个输出端,@~@脚是键信号缩码器的3
个输入端。4个输出端和3个输人端构成4X3键矩阵,可以有12个功能键位。由于使用了SB10功能转换
键,实际上只用了9个键位,这9个键位中的6个键SB2~SB7具有双重功能,遥控器工作时,单片机的
@~@脚输出时序扫描脉冲。
D1为四列扁平塑封80脚专用微电脑芯片.3V电源经R2降压以后接AVREF,Ⅵs接电源负极。
在集成电路内部,有分频器、数据寄存器、定时门、控制器(编码调制器)、键盘输入输出等电路。定
时门能向键盘电路输出定时扫描脉冲,在定时脉冲作用下,键盘输出电路能产生数种相位不同的扫描脉冲。
4)键盘矩阵电路:发射器键盘矩阵电路由4×3矩阵开关组成。它与Dl’内的扫描脉冲发生器和键盘
信号编码器构成了键控命令输入电路。键控输入电路根据接键矩阵不同键位输入的脉坤电平信号,向数据
寄存器输出相应码值的地址码。数据寄存器是一个只读存储器( ROM),预先存储了各种规定的操作指
△越 当闭合某个功能键时,相应的两条交叉线被短接,相应的扫摧脉冲通过按键开关输入到Dl’的0~④、
②脚中的一个对应脚,使D1’中只读存储器的相应地址被读出,然后送到内部指令编码器转换成相应的二
进制数字编码指令(以便遥控接收后微处理器识别).再送编码调制器。
5)编码、调制、驱动、发射电路:在编码调制器中,38kHz载频信号被编码指令调制,形成调制信
号,再经缓冲级后,从单片机的24脚输出至激励管VT的基极,放大后推动红外发光二极管(LED),发
出被38kHz-rla制信号调制的红外线,通过发射器前端的辐射窗口向空间发射。
6)液晶显示电路:L.CD为液晶显示器。若在液晶正负电极上,加上极性相反的交流方波电压,就能
显示字符和数字,反之不显示。液晶显示屏由Dl 7单片机多个引脚输出信号推动,其中Dl’的③~◎脚
(COMO—COM3)与液晶显示屏的4个公共电极相连,D1 7的⑥~@脚( SEG)分别与液晶显示屏相应的数
字段电极相连,图中巳明显标出。
7)其他:单片机Dl'的@脚为复位端,外接复位电阻R和电容Cl的作用是保证发射器起始工作状态
正常。
本发射器的一个传输指令由32位二进制代码组成,以脉冲间隔宽度来区舟“0”、“1”码。