0
问答首页 最新问题 热门问题 等待回答标签广场
我要提问

遥控电路红外遥控电路红外发射电路

红外遥控发射的(PT2262)

红外遥控发射的(PT2262)
提问者:cnm5 地点:- 浏览次数:4647 提问时间:03-03 06:25
我有更好的答案
提 交
1条回答
asa1253 03-05 11:15

7.红外遥控发射的(PT2262).gif


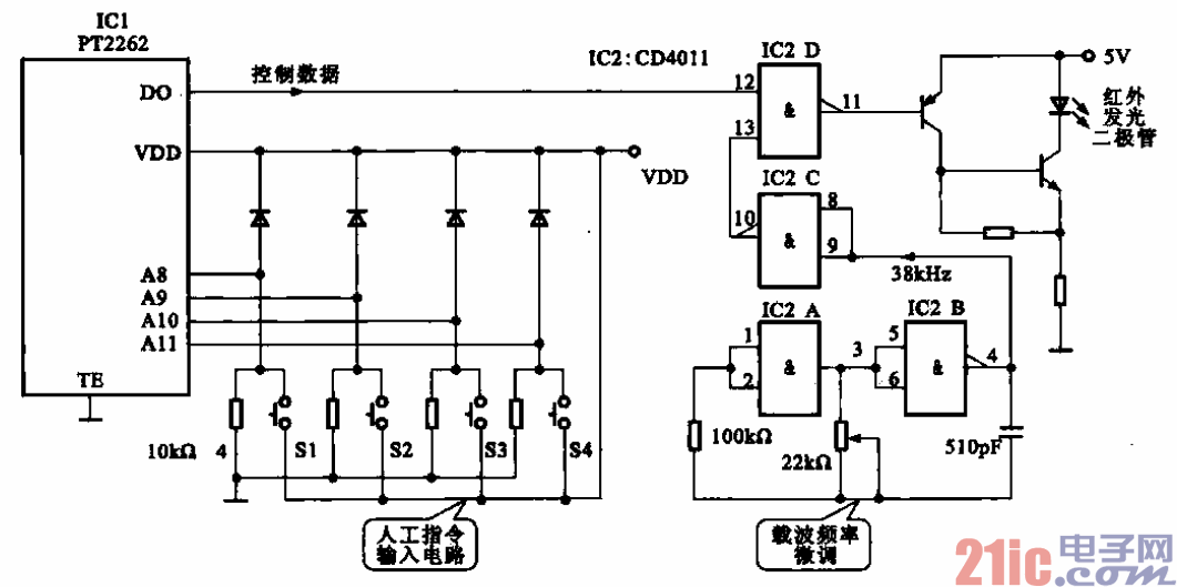
所示为采用PT2262的红外发射电路。电路中,当S1—S4任意一个或几个按下时,IC1

( PT2262)加电工作,IC1通过对人工指令的识别和译码处理后开始输出脉冲数据信号。同时,由IC2A

和IC2 B组成的脉冲振荡器也开始振荡,振荡频率可由22 kn电位器精确调整为40 kHz:或38 kHz,此频

率即为红外载波频率。PT2262输出的脉冲数据信号送到IC2 D对38 kHz载波进行调制,然后经三极管

驱动红外发光二极管发射出红外光信号。

撰写答案
提 交
1 / 3
1 / 3
相关遥控电路
遥控放大器电路图
遥控器编码式红外发射电路
遥控器编码式红外发射电路
遥控自动门电路a
具有60条指令的红外遥控接收器
相关红外遥控电路
具有60条指令的红外遥控接收器
红外遥控双功能插座电路图
使用PH302的红外遥控接收电路
红外灯遥控开关电路图
遮断式红外控制电路图
相关红外发射电路
遥控器编码式红外发射电路
简单的连续波单音红外光束发射器电子图
M50119P(电视机)红外线遥控发射电路
采用陶瓷谐振器的红外发射电路
红外发射电路