遥控电路

儿童和高龄老人丢失的现象经常发生,到处寻找,给家庭带了不应有的巨大痛苦和经济损失;另外,也
给不法分子、人贩子以可乘之机。为此,设计一个无线电遥控器,在儿童或高龄老人身上戴上一个发射器,
在监护人身上带一个接收器。当儿童或高龄老人离开监护人(家长或保姆)距离3~4米时,监护人接到报警
声,由于距离不远,很快可以发现,不易丢失。该装置特别适用于在节假日,商场、闹市等人群拥挤的场合。
该装置由发射器和接收器组成,其电路组成及原理分析如下:
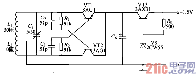
(1)发射器电路发射器电路
如图18-4所示。当VT3导通后,
给VT1、VT2加上正向偏压,
VTI、VT2组成自激多谐振荡器开
始工作,产生频率为1600~
1800kHz的高频等幅振荡信号,经
Li、Lz和cl谐振选频回路,调整
cl的大小,选取需要的发送信号频
率,经磁棒天线发射出去。
其中L1,Lz分别用纱包线绕制80匝和40匝,微调电容c】为5—30pF。
(2)接收器接收器电路如图18-5所示。接收器天线Li接收到发射器的信号后,经L2和cj调谐回路
选出与发射器同频率的遥控信号,由于接收的信号很微弱,经vri、VT2、VT3进行多级放大,推动四声
集成音乐片工作,由于输幽功率较小,经末级VT4放大后,使扬声器Y工作,发出音乐声,提醒监护人,
寻找附近的儿童或老人。