
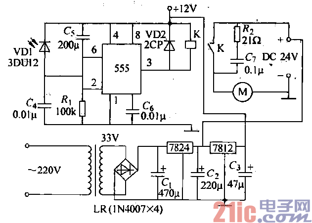
电路由两部分组成,
(1)电源电路电源经T变压,将交流220V降为33V,经全波整流、滤波、三端稳压分别输出+24V
和_}-lzv给控制电路供电。其中__-24V也可用交流24V。
(Z)控制电路光电二极管也经常与555电
路结合组成各种控制电路,图给出了一个
实用的太阳能热水器(太阳灶)自动跟踪遥控器。
光敏二极管VD1安装在一个定向收光筒内,比太
阳能热水器受光方向超前2度,555作为滞后比
较器工作。当太阳光直射到光敏二极管VD1
(3DU12)时,其阻值下降,电流增大,使555③
端输出低电平,继电器J吸合,常开接点接通电
机电源,电机通过减速齿轮驱动太阳能热水器顺
时针运转。当照射VD1的阳光减弱时,555输出
高电平,继电器J常开触电断开,切断电极回路
电源,电动机停止转动。这样,就使太阳能热水
器始终紧跟着太阳,叫做“太阳走我也走”地追
着直射太阳光,达到最佳受光状态。