
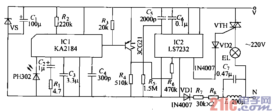
当红外接收管接收到发射器发出的遥控信号后,经KA2184处理后由⑦脚输出低电平。这一低电平直
接加到VT的基极,使其导通,它的集电极输出的电流在R4上端形成一个高电平输出。这一高电平通过
RB加至调光电路LS7232的辅助输入端(⑥脚),作为调光的控制信号。
接收电路如图所示,它是一个红外遥控调光电路,当它的⑥脚输入触发信号后,它的⑧脚就会
连续输出控制双向晶闸管导通角的控制脉冲,使双向晶闸管的导通角在410—1600之间变化。随着双向晶闸
管导通角的变化,电灯也由暗变亮或由亮变暗,从而实现了对电灯的调光控制。
在调光过程中,当需要电灯由暗变亮时,可按住遥控器的发射按键不断发送控制信号。这时可以看到
电灯在逐渐变亮,当达到所需亮度时,立即松开发射按键,这时电灯的亮度便停留在这个位置上。如果连
续按下去,电灯叉会由亮逐渐变暗,直至熄灭。
需要注意的是:LS7232是一种PMOS型集成电路,因此它的电源极性与常用的CMOS电路相反,即
它的VDD电源端应当接电源的负极,而‰端则应接电源的正极。
本电路电源仍采用交流供电、电容C7降压、二搬管VD1半波整流。与其他电容降压的供电电路不同
的是,该电源的降厘电容C7并联了一只2201uH的电感,它的作用是用来吸收LS7232所产生的谐波,防止
它通过电源线干扰其他用电器。