
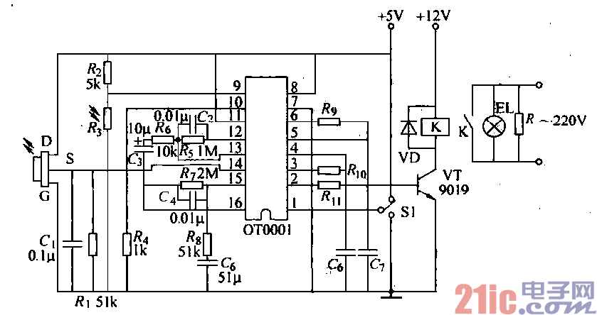
是热释电红外遥控的电路图.热释电红外传感器是一种敏感元件,配以滤光镜片和阻抗匹配
用场效应晶体管组成,它能以非接触方式检测出来自人体的红外辐射,并将其转换成电信号输出。
运算放大器OPI将热释电红外传感器的输出信号作第一级放大,然后出C3耦合给运算放大器()P2进
行第二级放大,再经由电压比较器COP1和COP2构成的双向鉴幅器处理后,检出有效触发信号U去启动
延迟时间定时器,输出信号V(,经晶体管VT放大,驱动继电器去接通负载。上图中,Rs为光敏电阻,用
来检测环境照度。当作为照明控制时,若环境较明亮.Ra的电阻值会降低,使◎脚的输入保持为低电平,
从而封锁触发信号Vs。Sl是工作方式选择开关,当Sl与1端连通时,芯片处于可重复触发工作方式;当
Sl与2端连通时,芯片则处于不可重复触发工作方式。输出延迟时间TX由外部的风和G的大小调整,
值为TX≈24576RaG;触发封锁时间ri由外部的RlO和C6的大小调整,值为正≈24Rio C6。