
在不需要多路控制的应用场合,可以使用由常规集成电路组成的单通道红外遥控电路。这种遥控电路
不需要使用价格较高的专用编译码器,因此成本较低。
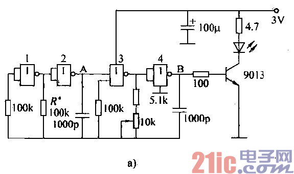
单通道红外遥控发射电路如图18-56La所示。在发射电路中使用了一片高速CMOS型四重二输入“与
非”门74HCOO。其中“与非”门1、门2和其他元件组成低频振荡器,振荡频率为f,门3、4组成载波
振荡器,振荡频率鼎调在38kHz左右;振荡频率fi不必精确调整,,l对fo进行调制,所以从“与非”
门4输出的波形是断续的载波,这就是经红外发光二极管传送的波形。
几个关键点的波形如图b所示,图中Br波形是A点不加调制波形而直接接高电平时B点输出的
波形。由图18-56b可以看出,当A点波形为高电平时j红外发光二极管发射载波}当A点波形为低电平
时,红外发光二极管不发射载波。这一停一发的频率就是低频振荡器频率^。在红外发射电路中元器件选
择上,不采用价格低廉的低速CMOS四重二输入“与非”门CD4011,而采用价格较高的74Hcoo,主要原
因是由于电源电压的限制。红外发射器的外壳有多种多样,但电源一般都设计成3V,使用两节5号或7号
电池作电源。CD4011的标秣工作电压为3~18V,但对处理数字信号而言,使振荡电路起振,产生方波信
号的工作电压大于4. 5V才行,否则不易起振,影响使用。而74HCOO系列的CMOS数字集成电路最低工
作电压为zv,所以发射器使用3V电源更为方便。