0
问答首页 最新问题 热门问题 等待回答标签广场
我要提问

音频放大电路收音机电路

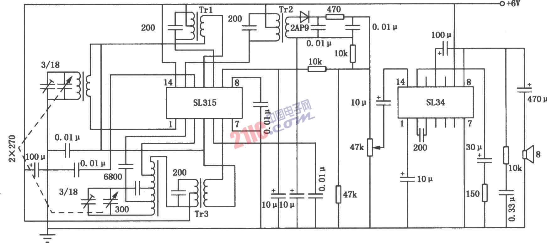
用SL34和SL315构成的中波调幅收音机电路

用SL34和SL315构成的中波调幅收音机电路
提问者:不不糊法 地点:- 浏览次数:1847 提问时间:05-31 00:54
我有更好的答案
提 交
1条回答
li_1202 06-04 12:10

SL33/34是低电压集成音频功率放大器,具有失真小、功耗低等特点,它与SL315集成变频中放电路相配合,可构成一个完整的收音机电路。如图所示为由SL34和SL315构成的中波调幅收音机电路。

 

 

 

撰写答案
提 交
1 / 3
1 / 3
相关音频放大电路
XPT4990音频放大器应用电路
集成音频放大器电路图
具有±15dB高、低音控制的音频放大器
小功率音频放大器MC34119
lm386音频放大电路
相关收音机电路
TA7781P/7781F FM/AM单片收音机电路
数字收音机芯片Si4730原理图及外围电路
收音机减少交流声的电路
收音机无线遥控电路a
汽车收音机用低频放大器电路图