0
问答首页 最新问题 热门问题 等待回答标签广场
我要提问

音频放大电路红外遥控电路

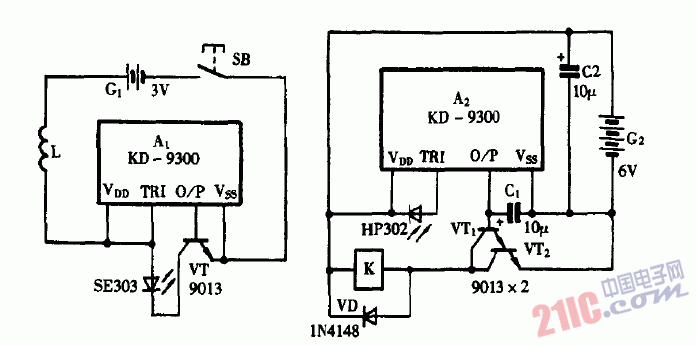
巧用KD9300作红外遥控延迟开关电路图

巧用KD9300作红外遥控延迟开关电路图
提问者:cmh15 地点:- 浏览次数:4956 提问时间:05-27 14:38
我有更好的答案
提 交
1条回答
gXDhn 05-28 07:47

 

巧用KD9300作红外遥控延迟开关电路图

 

撰写答案
提 交
1 / 3
1 / 3
相关音频放大电路
XPT4990音频放大器应用电路
集成音频放大器电路图
具有±15dB高、低音控制的音频放大器
小功率音频放大器MC34119
lm386音频放大电路
相关红外遥控电路
具有60条指令的红外遥控接收器
红外遥控双功能插座电路图
使用PH302的红外遥控接收电路
红外灯遥控开关电路图
遮断式红外控制电路图