0
问答首页 最新问题 热门问题 等待回答标签广场
我要提问

音频放大电路正弦波电路

正弦波解密器

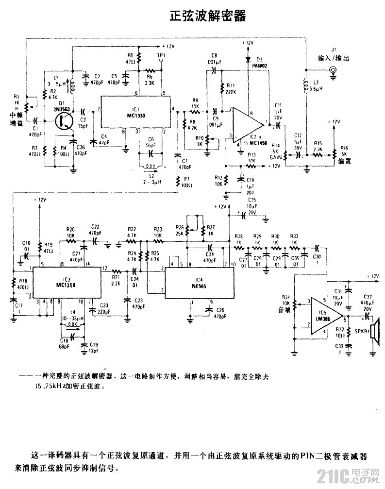
正弦波解密器
提问者:7vyydyfwef 地点:- 浏览次数:1465 提问时间:01-06 02:11
我有更好的答案
提 交
1条回答
鹿晗哥哥哥哥 01-14 10:35

正弦波解密器.gif

撰写答案
提 交
1 / 3
1 / 3
相关音频放大电路
XPT4990音频放大器应用电路
集成音频放大器电路图
具有±15dB高、低音控制的音频放大器
小功率音频放大器MC34119
lm386音频放大电路
相关正弦波电路
正弦波-方波波形变换电路
正弦波解码器电路图
正弦波整形电路
正弦波变换电路图
正弦波震荡电路图