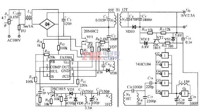
图所示为FA550O构成的开关电源,输入交流电压为100V,输出为16V/2.5A。FA5500集成控制器,其输出OUT(⑦脚)经电阻R2驱动功率M0S-FET(VF1)的栅极。R3和R14为VF1的过电流检测电阻。VF1进行开关工作,使其变压器T1的绕组N1流经脉冲状电流。C3为谐振电容,C4为降低输出阻抗的电容。绕组凡的输出电压经VD10和C5整流平滑变为输出直流电压。
VF2和VD11构成输出电压检测电路,输出电压经R12和R11分压送至电压检测电路,VF2的集电极输出经R10供给L7、C19、G1等构成的振荡电路。C13为旁路电容,VS1为防止过电压加到振荡电路上的稳压二极管。
