华秋PCB
高可靠多层板制造商
华秋SMT
高可靠一站式PCBA智造商
华秋商城
自营现货电子元器件商城
PCB Layout
高多层、高密度产品设计
钢网制造
专注高品质钢网制造
BOM配单
专业的一站式采购解决方案
华秋认证
认证检测无可置疑
华秋DFM
一键分析设计隐患
KiCad 华秋发行版 ^9.0
集成AI Copilot
EDA在线查看器
SCH、PCB、BOM、3D模型
DataSheet资料查询
最全面的元器件搜索引擎
开源硬件平台
最新的、经过验证的开源硬件项目
在线客服
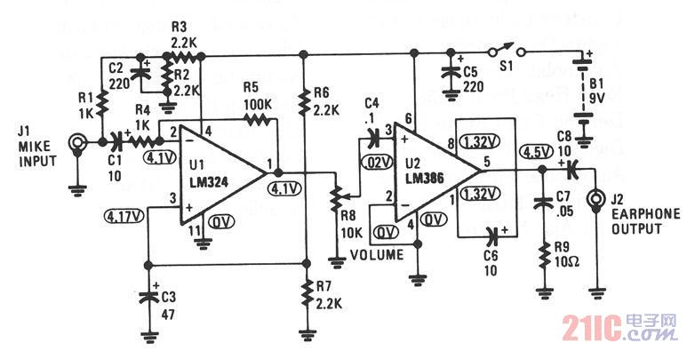
音频放大电路