0
问答首页 最新问题 热门问题 等待回答标签广场
我要提问

音频放大电路耦合电路

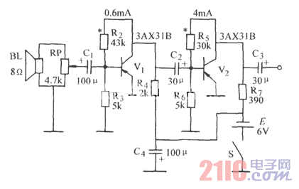
音量可调阻容耦合放大器电路图

音量可调阻容耦合放大器电路图
提问者:uywuuwewd 地点:- 浏览次数:6095 提问时间:03-05 16:27
我有更好的答案
提 交
1条回答
maqyun 03-13 12:14

音量可调阻容耦合放大器电路图.gif

撰写答案
提 交
1 / 3
1 / 3
相关音频放大电路
XPT4990音频放大器应用电路
集成音频放大器电路图
具有±15dB高、低音控制的音频放大器
小功率音频放大器MC34119
lm386音频放大电路
相关耦合电路
用变压器耦合的A类放大器
直接光耦合隔离放大电路图
直接耦合推挽功率放大电路图
用二极管耦合的甲乙类输出电路
采用反馈提高光电耦合器件线性度的电路图