0
问答首页 最新问题 热门问题 等待回答标签广场
我要提问

音频放大电路收音机电路

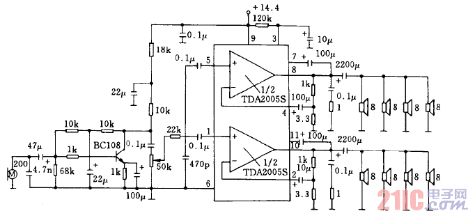
20W公共汽车收音机和扩音机电路

20W公共汽车收音机和扩音机电路
提问者:sdfjlsds 地点:- 浏览次数:1966 提问时间:04-19 11:38
我有更好的答案
提 交
1条回答
黄明康01 04-21 02:09

20W公共汽车收音机和扩音机电路采用TDA2005S双低频功率放大集成电路设计,前端输入端可以接话筒或收音机的低频电压放大输出级,每个TDA200S输出10W功率,可带4个扬声器。两路输出可带8个扬声器,可分放在车内不同地方,总输出功率可达20W。


20W公共汽车收音机和扩音机电路.gif

撰写答案
提 交
1 / 3
1 / 3
相关音频放大电路
XPT4990音频放大器应用电路
集成音频放大器电路图
具有±15dB高、低音控制的音频放大器
小功率音频放大器MC34119
lm386音频放大电路
相关收音机电路
TA7781P/7781F FM/AM单片收音机电路
数字收音机芯片Si4730原理图及外围电路
收音机减少交流声的电路
收音机无线遥控电路a
汽车收音机用低频放大器电路图