0
问答首页 最新问题 热门问题 等待回答标签广场
我要提问

音频放大电路

同相音频放大器工作原理图

同相音频放大器工作原理图
提问者:surezc 地点:- 浏览次数:3003 提问时间:10-02 11:16
我有更好的答案
提 交
1条回答
idskfwier 10-11 00:29

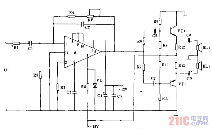
工作原理如图所示:输入的音频微弱信号经电容cl耦台到前髓运霄放大器A的1脚进行放大。其@脚送出的信号与两个并联对称、平衡的功放三极管VTl、VT2射极同相输出。


同相音频放大器工作原理图.gif


其中,c2、R4、RP构成负反馈电路,以提高输出信号波形的稳定性。c3为补偿高频电容。C4、c5为电源交流分量滤波电容。电阻R8~Rlj为三极管vTl、vT2的偏置电阻。低频端距响好坏取决于输出端电容量C8、c9的容量大小,同时也起隔直作用,调节电位器RP可调增益达10dB以上。

撰写答案
提 交
1 / 3
1 / 3
相关音频放大电路
XPT4990音频放大器应用电路
集成音频放大器电路图
具有±15dB高、低音控制的音频放大器
小功率音频放大器MC34119
lm386音频放大电路