一直想做晨练机的,还苦无找不到大功率的单电源功放,因为晨练机是蓄电池供电的,所以惦记了好几个月,最后还是找到了一款TDA2009单电源功放IC,现在就与大家分享一下TDA2009的应用电路图。
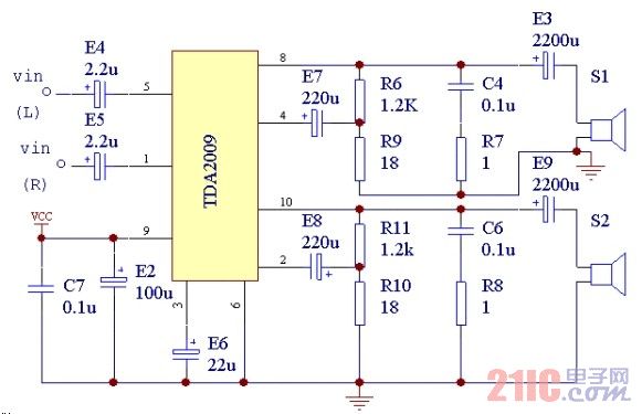
TDA2009是一种较为常见且价格实惠的高保真功放集成块。额定功率为2×10W。电源电压为8~28V。最大输出电流为3.5A。具有过热保护电路。(2×10W,THD=0.5%)
据笔者采用该芯片所做的几套功放来看,效果还是很不错的,一直用到今,好几年了,没有出任何故障。当然,如“地线设计技巧”篇章介绍的,前提是地线设计要合理,另外虽其发热很小,还是要注意散热。其电路图如下:
