0
问答首页 最新问题 热门问题 等待回答标签广场
我要提问

音频放大电路直流电路

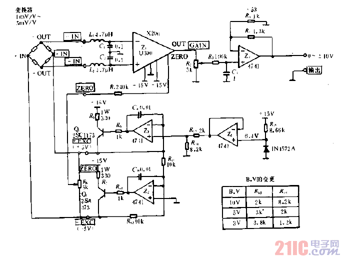
直流前置放大器的应变计放大电路图

直流前置放大器的应变计放大电路图
提问者:yangyt 地点:- 浏览次数:4150 提问时间:12-10 08:05
我有更好的答案
提 交
1条回答
60user106 12-15 08:27

直流前置放大器的应变计放大电路图.gif

撰写答案
提 交
1 / 3
1 / 3
相关音频放大电路
XPT4990音频放大器应用电路
集成音频放大器电路图
具有±15dB高、低音控制的音频放大器
小功率音频放大器MC34119
lm386音频放大电路
相关直流电路
直流功率计电路图
直流伺服恒流功放电路图
交直流两用功放电路制作
纯直流场效应管功放电路原理图
直流电机的可逆原理