0
问答首页 最新问题 热门问题 等待回答标签广场
我要提问

音频放大电路

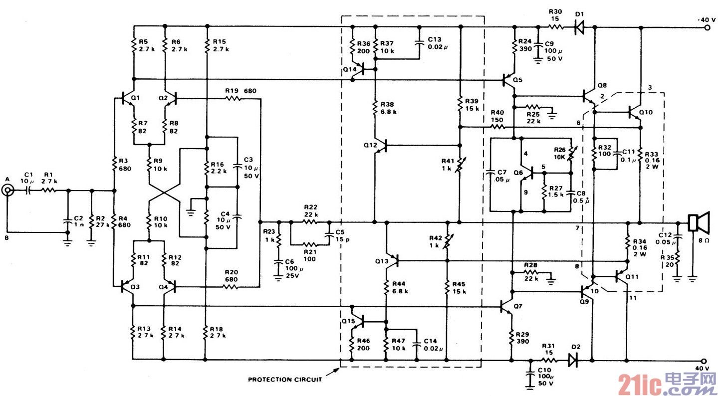
带负载线路保护的75瓦音频放大器电路图

带负载线路保护的75瓦音频放大器电路图
提问者:URtea 地点:- 浏览次数:5799 提问时间:11-06 08:48
我有更好的答案
提 交
1条回答
wyfwer 11-10 06:21

带负载线路保护的75瓦音频放大器电路图


带负载线路保护的75瓦音频放大器.jpg

撰写答案
提 交
1 / 3
1 / 3
相关音频放大电路
XPT4990音频放大器应用电路
集成音频放大器电路图
具有±15dB高、低音控制的音频放大器
小功率音频放大器MC34119
lm386音频放大电路