0
问答首页 最新问题 热门问题 等待回答标签广场
我要提问

音频放大电路

双音频放大器电路图

双音频放大器电路图
提问者:杀狼000 地点:- 浏览次数:9807 提问时间:12-20 09:59
我有更好的答案
提 交
1条回答
djiwqljd 12-24 17:45

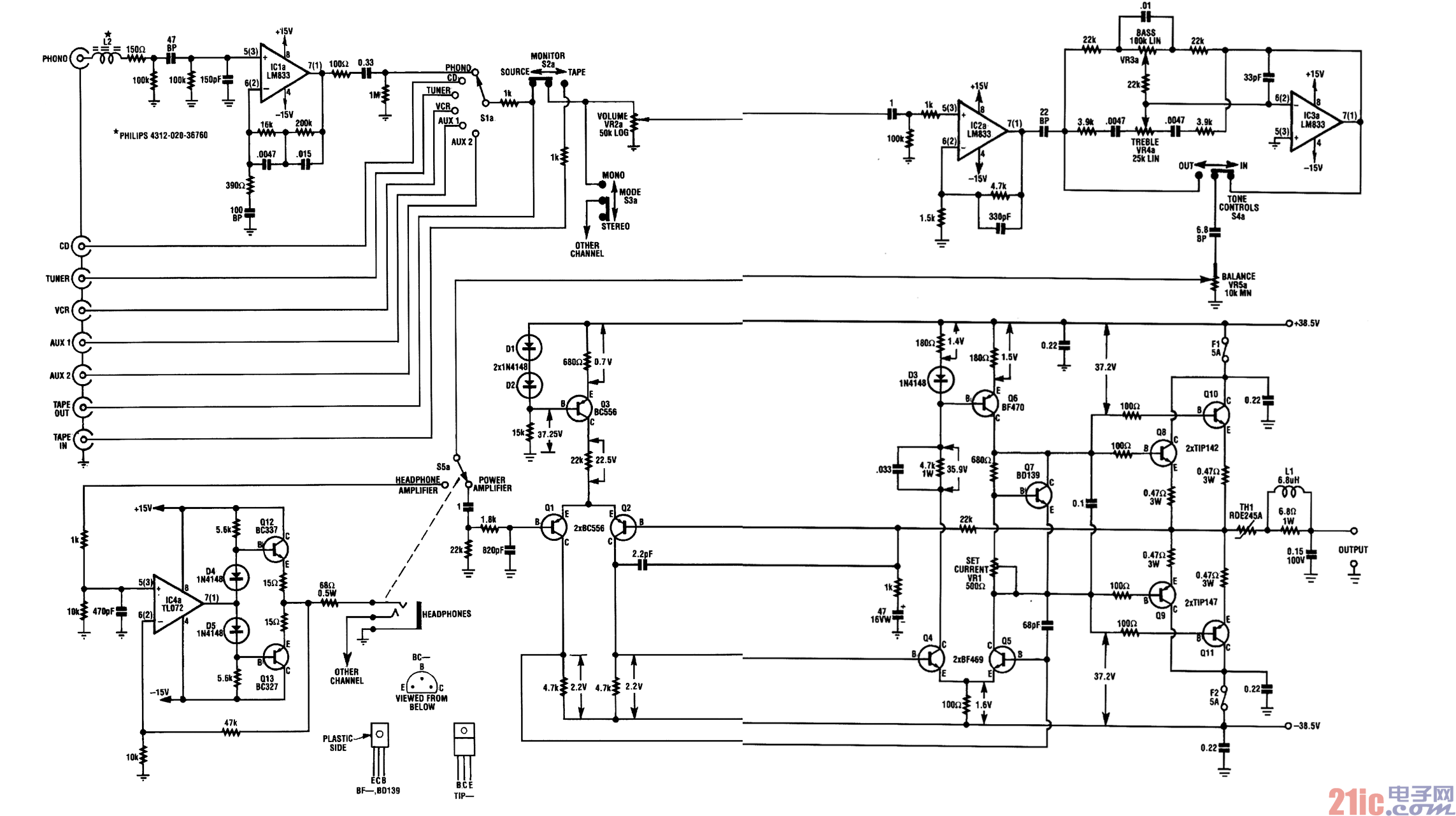
音频放大器电路图


双音频放大器.gif

撰写答案
提 交
1 / 3
1 / 3
相关音频放大电路
XPT4990音频放大器应用电路
集成音频放大器电路图
具有±15dB高、低音控制的音频放大器
小功率音频放大器MC34119
lm386音频放大电路