0
问答首页 最新问题 热门问题 等待回答标签广场
我要提问

音频放大电路电源

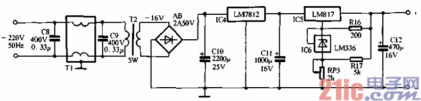
音乐电源电路

音乐电源电路
提问者:asp60399 地点:- 浏览次数:8954 提问时间:03-01 10:24
我有更好的答案
提 交
1条回答
dipper011 03-10 00:44

音乐电源电路


音乐电源电路.gif

撰写答案
提 交
1 / 3
1 / 3
相关音频放大电路
XPT4990音频放大器应用电路
集成音频放大器电路图
具有±15dB高、低音控制的音频放大器
小功率音频放大器MC34119
lm386音频放大电路
相关电源
TDA16846组成的彩电开关电源原理图
联想LX-PL4C2型彩色显示器开关电源电路
长虹CN-9机心彩电开关电源电路
索尼KV2184彩电开关电源电路
王牌TCL-3460D彩电开关电源电路