0
问答首页 最新问题 热门问题 等待回答标签广场
我要提问

音频放大电路保护电路电源

电源及保护电路(b)

电源及保护电路(b)
提问者:ickey_feng 地点:- 浏览次数:4178 提问时间:04-06 08:33
我有更好的答案
提 交
1条回答
天天雷锋 04-08 22:55

42.电源及保护电路(b).gif


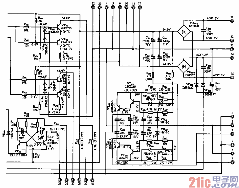
电源及保护电路。

    VT301、VT302组成了中点直流偏移保护电路,其灵敏度为±3V时10秒,±6V时4

秒。由左右声道所接的‰l与R302以及‰l与R3。3构成分压低通滤波网络。在正常信号输

出时,该滤波器能将正常输出的交流信号电压大部分滤去,输出的直流电压低于±o,5V。

当中点电压偏移超过定值后,低通滤波器输出电压的主要部分是偏移电压值,该电压值将

大大超过±o,5Vo这时继电器即释放,切断扬声器电路。其动作过程为:当电压超过

+o.5v时,触发VT302导通;当电压超过一0.5v时,触发VT3;01导通o不论VT:}oz导通或

VT301导通,均能使VT3Q5基极电压下降,发射极电流下降,使VT307内阻增大,集电极电

流下降,到一定程度后继电器释放。

    VT303与P301、VD303构成过热保护电路。‰l是一只具有正温度系数的热敏电阻,它

紧贴散热器安装。热敏电阻起控温度调至80℃~1 00℃。当P301达到该温度值时,阻值剧

增,压降增大,当>1,1V时,VT3Q3导通,通过VT30s及VT307断开继电器。

    VT116及R14l、R142、Rl“等组成过载及短路保护电路,由输出管VT113的射极电阻

Ri螬作检测元件,设定起控电流为12Ao一旦过载或短路时,VT116导通,并经VD30i使

VT306导通,继而触发岛1导通,促使VT307电流减小,继电器释放o

    保护显示系统:当保护电路动作后,显示电路即工作o由VTvjs、VT406组成的多谐

振荡器起振。一旦保护解除,Ⅵ啮”导通,、rD401导通,振荡与显示停止o

 

撰写答案
提 交
1 / 3
1 / 3
相关音频放大电路
XPT4990音频放大器应用电路
集成音频放大器电路图
具有±15dB高、低音控制的音频放大器
小功率音频放大器MC34119
lm386音频放大电路
相关保护电路
采用限流保护电路的100W功率放大器
典型开关电源保护电路
音频功率放大电路和喇叭保护电路原理图
开关电源模块化设计及继电保护电路设计 —电路图天天读(247)
数控开关电源过流保护电路图
相关电源
TDA16846组成的彩电开关电源原理图
联想LX-PL4C2型彩色显示器开关电源电路
长虹CN-9机心彩电开关电源电路
索尼KV2184彩电开关电源电路
王牌TCL-3460D彩电开关电源电路