0
问答首页 最新问题 热门问题 等待回答标签广场
我要提问

音频放大电路电源

由正电源引入偏流的输入级

由正电源引入偏流的输入级
提问者:sgaasag 地点:- 浏览次数:8301 提问时间:05-07 06:13
我有更好的答案
提 交
1条回答
fgdfdzdg 05-10 02:21

19.由正电源引入偏流的输入级.gif


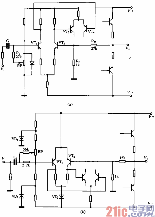
采用如图1-35 (a)的电路形式,即保持

Ri =R盘,左管由电源v+引入偏流,由电位

器RP调节偏流的大小。这样既保证了左管

基极输入电阻不致下降,叉可通过RP调节

左管偏流的大小。例如:日本的先锋M22K

便是这种电路结构,如图1-35 (b)所示o

撰写答案
提 交
1 / 3
1 / 3
相关音频放大电路
XPT4990音频放大器应用电路
集成音频放大器电路图
具有±15dB高、低音控制的音频放大器
小功率音频放大器MC34119
lm386音频放大电路
相关电源
TDA16846组成的彩电开关电源原理图
联想LX-PL4C2型彩色显示器开关电源电路
长虹CN-9机心彩电开关电源电路
索尼KV2184彩电开关电源电路
王牌TCL-3460D彩电开关电源电路