
用图1-25的恒流源电路取代图1-24中的R,就成了带恒流源的差动式放大电路,如
图1-27所示。这样,只要,c3保持恒定,,cl和,正就不能同时增大或同时减小,从而抑制
了电压的漂移。
差动电路按其信号的输人、输出方式不同分为四种:双端输入,双端输出;双端输
入,单端输出;单端输入,双端输出;单端输入,单端输出。如图1—28所示。
四种接法的放大倍数可总括为:不论何种接法,只要是单端输出,其放大倍数为基本
放大电路的一半;若为双端输出,其放大倍数与基本放大电路相同o
差动放大电路一般总是作为放大电路的前级输入部分o因此,它的输出端总是要和基
本放大电路相连接。这对单端输出的差动电路是不成问题的,而对双端输出的差动电路就
有所不便o因为它虽然有两个输出端,但与输入信号之间没有公共端,著采用单端输出,
则无法发挥差动电路的优点。因此就需要一个双端变单端的输出电路与之相匹配,这便是
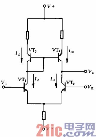
镜像恒流源电路,如图1-29所示。
在图1-29中,VT3、VT4构成镜像恒流源,因此有:Ic,3=J d,而,c3 - Icl,
所以:Ic4=Icl
输出电流丁o= Id - lc2=Icl - Ic2 0
在共模输入(两输入端输入幅值相等的信号时为共模输人)时,I{:1=Ic2
所以f。=,&一,c2 =0
和双端输出时一样。
差模输入(两输人端输入幅值相等而极性相反的信号时,称为差模输入)时:
Icl≈Icl一△Icl, Ic2≈,c2+△Ic2
因为Icl≈,吐
所以,。≈2AlC。
即差模输入时,输出电流是单管输出电流的两倍,也和双端输出一样。
上述电路原理在后面的实例中都会遇到。