0
问答首页 最新问题 热门问题 等待回答标签广场
我要提问

音频放大电路电源

采用单电源时的应用电路

采用单电源时的应用电路
提问者:路YWXZ 地点:- 浏览次数:6716 提问时间:04-03 02:40
我有更好的答案
提 交
1条回答
yhwerf 04-07 16:25

31.采用单电源时的应用电路.gif


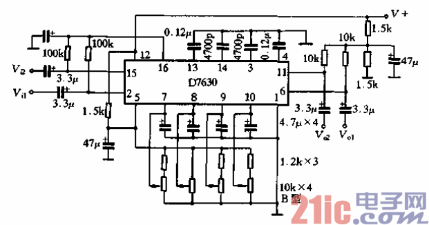
TA7630P采用双列直插16脚封装,图4-31是TA7630P采用单电源供电时的应用电

路。

撰写答案
提 交
1 / 3
1 / 3
相关音频放大电路
XPT4990音频放大器应用电路
集成音频放大器电路图
具有±15dB高、低音控制的音频放大器
小功率音频放大器MC34119
lm386音频放大电路
相关电源
TDA16846组成的彩电开关电源原理图
联想LX-PL4C2型彩色显示器开关电源电路
长虹CN-9机心彩电开关电源电路
索尼KV2184彩电开关电源电路
王牌TCL-3460D彩电开关电源电路