![]()

SSM-2125/2126解码芯片可以使用双电源或单电源工作,电源电压允许有±lo%的
误差o使用单电源时,集成电路内部产生一个十6V的基准电压参考点并由VREF引脚输出
供外部使用。另一个6V的引脚VRO与该脚连接作为虚地,并通过100pF和O,lplF电容
接地o使用双电源时,该点则直接接地,这时可省去输入、输出耦合电容,提高保真度。
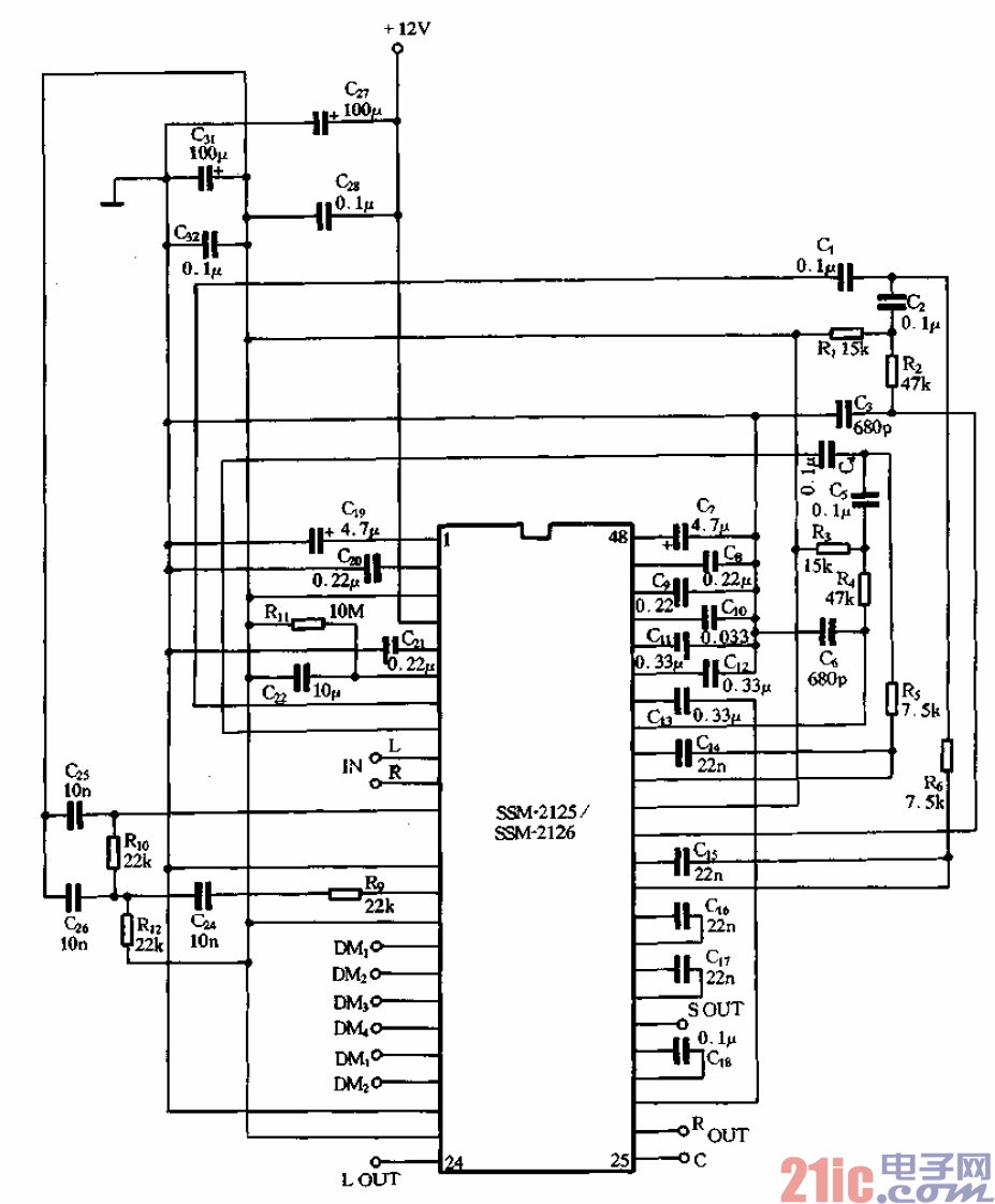
图9-21和图9-22分别是其单电源和双电源的典型应用图o
为了保证音质和高信噪比,电路的杜比电平(输入电平)必须满足500mV的要求。在
这个电平状态,电路能提供87dB的信噪比和16dB的动态裕量;当杜比电平降为300mV
时,电路能提供83dB的信噪比和20dB的动态裕量o
自动平衡电路可在杜比定向逻辑解码和立体声直通模式下使用。当左右声道输入信号
平衡误差在±3,8dB范围内时,平衡电路将自动予以校正。关断平衡电路时,该电路的压
控放大电路即被旁路。