0
问答首页 最新问题 热门问题 等待回答标签广场
我要提问

音频放大电路

低功耗单电源音频放大器

低功耗单电源音频放大器
提问者:qwe041 地点:- 浏览次数:4344 提问时间:11-28 19:55
我有更好的答案
提 交
1条回答
xianshi6320 12-01 05:07

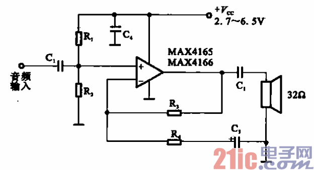
43.低功耗单电源音频放大器.gif


所示是一种采用运算放大器MAX4165/66的低功耗单电源音频放大电路,音频信号经耦合

电容器其cl后,经运算放大器放大后输出驱动扬声器发声。

撰写答案
提 交
1 / 3
1 / 3
相关音频放大电路
XPT4990音频放大器应用电路
集成音频放大器电路图
具有±15dB高、低音控制的音频放大器
小功率音频放大器MC34119
lm386音频放大电路