
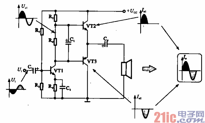
所示是采用单电源互补对称电路,简称“OTL"电路(其含义是没有变压器的功率放大电路)。
互补对称式OTL功率放大器是采用了两个导电极性相反的三极管,因此只需要相同的一个基极信号电匝
即可。
图中,三极管VT2为NPN型晶体管.V13为聊咿型晶体管。推动级\rri集电极输出电压Ucl即为
VI2和VT3的基极信号电压,VT1的集电极电阻器R3、R4同时为VT2、VT3提供基极偏置电压,使其工
作在放大状态。电容器C4接在输出端与负载之间,起到隔直流、通交流的作用。电容器C4两端由于充电
而有直流电压uC4—UCCt2(充电所至),因此它还是VT3管的直流电源。
输入信号Ui通过电容器C1耦合到三极管VT1基极,经VT1放大为信号Ucl。在信号Uq正半周时,
VT2导通,VT3截止,输出放大的电流Iol;在信号Uc.负半周时,VT3导通.VT2截止,输出放大的电
流为岛。输出放大信号通过输出耦合电容器C4在扬声器上合成一个完整的信号波形.
在单电源互补对称电路中,每只三极管的工作电压不是Ucc,而是Ucc/2。