0
问答首页 最新问题 热门问题 等待回答标签广场
我要提问

家用电器胆机电路

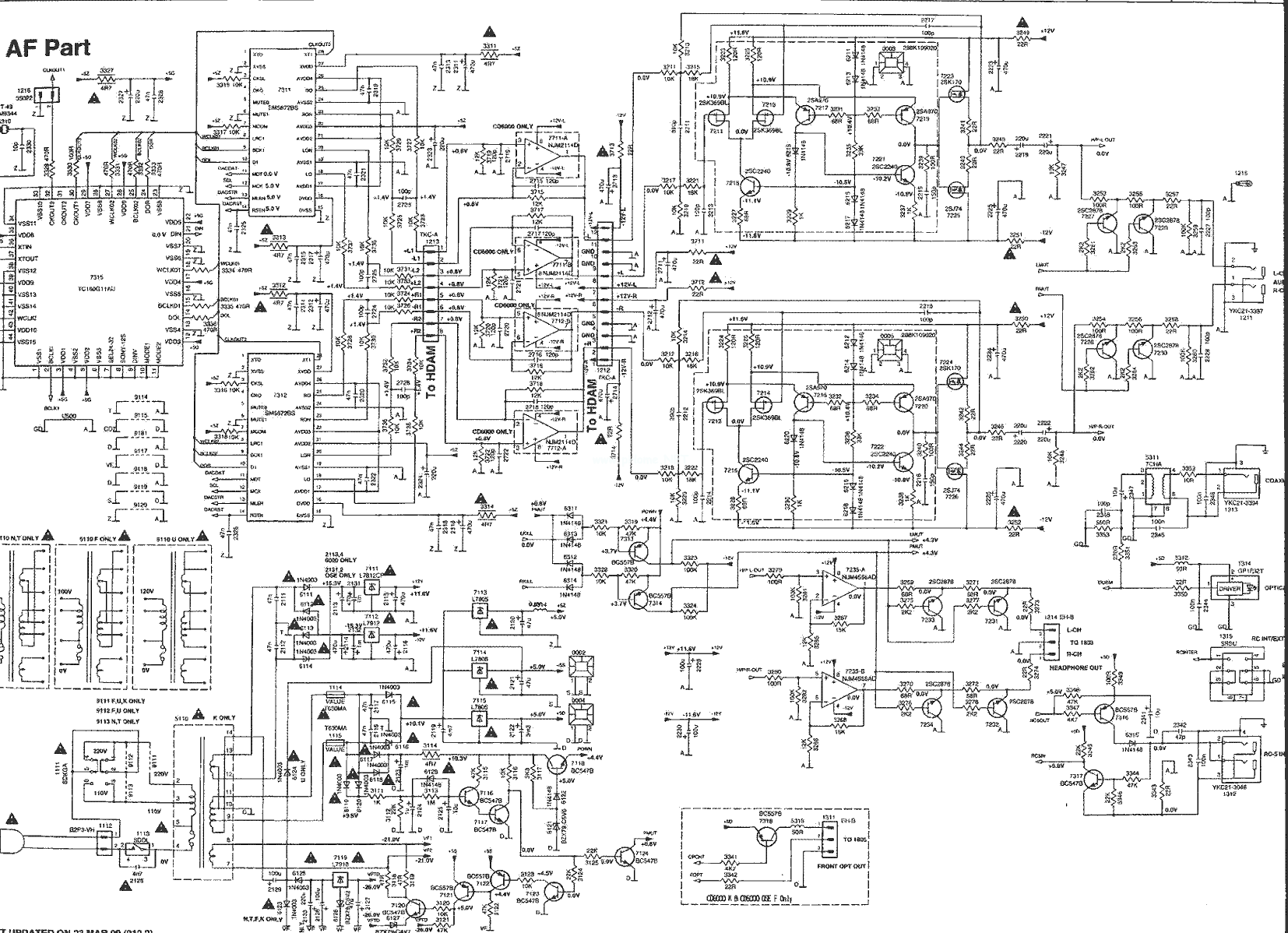
胆机马兰士CD6000唱机DAC电路图

胆机马兰士CD6000唱机DAC电路图
提问者:Dipper123 地点:- 浏览次数:8746 提问时间:10-18 06:02
我有更好的答案
提 交
1条回答
daoyuan98 10-19 15:07
点击看大图
撰写答案
提 交
1 / 3
1 / 3
相关家用电器
胆机cs8412+df1700+pcm58组合,廉价好声的电路电路图
胆机PCM1793电路图
用晶体管/三极管以PWM波形来驱动风扇的电路图
胆机TDA1541NOS DAC胆版电源电路图
有正反转功能变频器的可逆电路
相关胆机电路
胆机功放电路图(带电源电路图)
胆机cs8412+df1700+pcm58组合,廉价好声的电路电路图
胆机PCM1793电路图
胆机TDA1541NOS DAC胆版电源电路图
胆机DIR1703+PCM1738 DAC电路图