0
问答首页 最新问题 热门问题 等待回答标签广场
我要提问

电源电路电源

功放专用伺服式稳压电源

功放专用伺服式稳压电源
提问者:zoms0 地点:- 浏览次数:8178 提问时间:01-22 09:24
我有更好的答案
提 交
1条回答
hongliwei 01-23 17:10

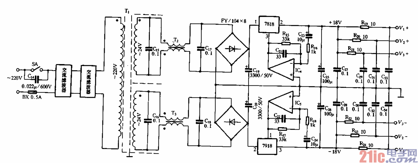
26.功放专用伺服式稳压电源.gif


是一组功放用的伺服式稳压电源o它采用78 1 8和79 1 8两只正负输出的

集成稳压器,采用LF353作伺服电路,输出三组正负对称的18v电压。该电路采用

双桥式整流供电,交流输入采用了两级交流电源滤波净化方式,进一步提高了电源的

纯净度。

撰写答案
提 交
1 / 3
1 / 3
相关电源电路
无噪声的的功放电源电路
LG CF-25H84彩电开关电源电路
LG MC-8AA机心彩电开关电源电路
LG MC-022A机心彩电开关电源电路
LG MC-019A机心彩电开关电源电路
相关电源
TDA16846组成的彩电开关电源原理图
联想LX-PL4C2型彩色显示器开关电源电路
长虹CN-9机心彩电开关电源电路
索尼KV2184彩电开关电源电路
王牌TCL-3460D彩电开关电源电路