
是一种电视机常用的并联式开关稳压电源。它没有电源变压器,直接由市电
整流得到约300V的直流电压,然后经过带脉冲变压器的并联型开关电源电路的变换,得
到两组稳定的低压(6-3V和35V)和一组100V的中压输出口图(a)中VTi是开关管,T是
脉冲变压器,它的初级绕组ni相当于储能电感on2、n3、n4为匝数不同的三个次级绕组,
对应于三个不同的输出电压。绕组码是为开关管作间歇振荡时提供正反馈电压用的反馈
绕组。电路中的35V输出电压还兼作取样用,马、即、Rio是取样电阻,VD6为基准电压
稳压管,VT2,、VT3为比较放大器口在三组输出中的Ⅵ吨、VD4、Ⅵ晤分别是各组的续流
二极管,C7、岛、C9是各组的滤波电容。
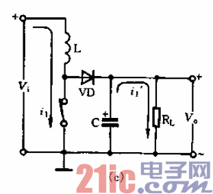
按变压器的同名端,当开关管VTi导通时,绕组啦上的感应电压是上负下正,Ⅵ岛
反偏截止,这时T储存能量,负载电流由岛放电供给,相当于图7-30 (C)o当VTi截止
时,啦上感应电压是上正下负,续流二极管Ⅵ嘎导通,T释放能量向岛充电,并同时向
负载供电,相当于图7-30 (d)o
在该电路中,VTi既是开关管又是振荡管。它的振荡是这样建立的:接通电源后,
220V市电经整流滤波后得到的直流电匪通过R2加到VTi的基极,在基极电压的作用下t
VTi产生集电极电流并且是由小列大逐渐增加舶o所以在集电极电路中的绕组ni内便产
生一个力图阻止电流增加的自感电动势,它的极性是上正下负。同时在T的次级绕组玛
中感应出一个与ni极性相同的感应电势,即上正下负。由于电容&两端的电压不能突
变’因此n5刚产生感应电动势的瞬间并不使C立即充电,而是通过Crs的耦合使vTi的
基极电位升高,也就是说形成一种正反馈。由于这种正反馈的作用,使VTi的基极电位
升高,集电极电流增大,感应电动势进一步增强,集电极电流继续增大,真至VTi进人
饱和导通状态。