
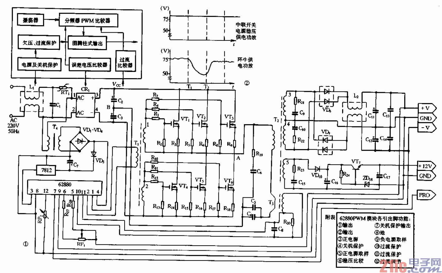
是中联F一2250型功放开关稳压电源的原理图。它由输入电源净化及整流滤
波电路、集成控制模块、激励倒相与开关电路、降压及全波整流电路及反馈调整电路等部
分组成。
市电输入后先由电感Li、电容cl组成的电源净化滤波电路进行净化滤波,以消除电
源中的干扰脉冲,然后经桥式整流电路CRt整流、Q、IC3滤波后输出平滑的直流电压,
向脉冲开关电路供电。电压约300V口
脉冲开关电路工作于高频开关工作状态,是开关电源的能量转换部分,它由三对
30A/450V的ⅥⅥ《)S管组成相互交替工作的开关电路。在激励脉冲的作用下,变压Ti次
级的两个绕组分别得到两个相位相反的激励脉冲,并且分别加到VTi~VT3及VT4~VT6
的栅极。当VTi~VT3的栅极得到正脉冲而进入导通时,VT4~VT6的栅极得到的则是负
脉冲而进入截止状态。这时300V的直流电压通过导通管VTi~VT3加到变压器Tz的初
级绕组,使Tz初级中的电流线性上升。到VTi~VT3栅极上的正脉冲结束变为负脉冲
时,VTi~VT3截止,与此同时VT4~VT6栅极上的激励脉冲则从负脉冲变为正脉冲,使
VT4~VT6导通,这样Tz初级绕组中的电流回路不会因VTi一VT3的截止而中断,所以
VT4~VT也称为初级绕组的续流管o由于VT4~VT6的导通,Tz初级绕组中的电流开
始线性下降。由此可见,在Tz初级绕组中得到的是锯齿波形的脉冲电流。由于VTi~
VT3的导通一截止而在T2初级形成的脉冲电压耦合到次级,并经整流、滤波后向功放电
路供电。
高频变压器T2次级输出的高频电压,由VD6~VDg组成的桥式全波整流电路整流,
Cll~C14电容滤波后,形成±70V的对称电压输出。T2的另一次级电压经VDic)半波整流,
并经VT7与Ⅵl i等组成的稳压电路稳压后输出正12V的直流电压,供自动散热排风扇使
用。