0
问答首页 最新问题 热门问题 等待回答标签广场
我要提问

电源电路直流电路

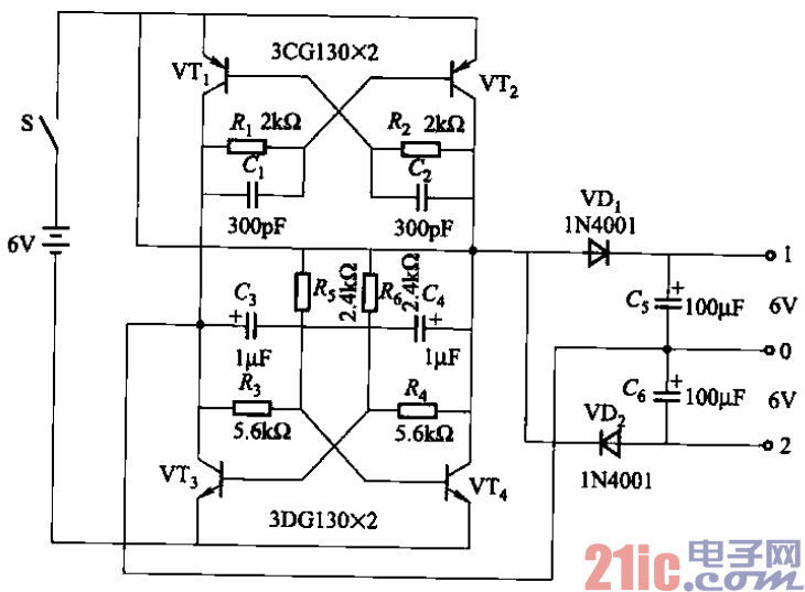
直流电压变换器电路

直流电压变换器电路
提问者:formlikon 地点:- 浏览次数:9754 提问时间:10-10 13:31
我有更好的答案
提 交
1条回答
ningee 10-11 05:34

10.直流电压变换器电路.gif

撰写答案
提 交
1 / 3
1 / 3
相关电源电路
无噪声的的功放电源电路
LG CF-25H84彩电开关电源电路
LG MC-8AA机心彩电开关电源电路
LG MC-022A机心彩电开关电源电路
LG MC-019A机心彩电开关电源电路
相关直流电路
直流功率计电路图
直流伺服恒流功放电路图
交直流两用功放电路制作
纯直流场效应管功放电路原理图
直流电机的可逆原理