1:高压故障
2;低压故障
3:高压,低压均有故障。
高压故障的主要现象是指示灯不亮,其特征有保险丝熔断,整流二极管D1击穿,电容C11鼓包或炸裂。Q1击穿,R25开路。U1的7脚对地短路。R5开路,U1无启动电压。更换以上元件即可修复。若U1的7脚有11V以上电压,8脚有5V电压,说明U1基本正常。应重点检测Q1和T1的引脚是否有虚焊。若连续击穿Q1,且Q1不发烫,一般是D2,C4失效,若是Q1击穿且发烫,一般是低压部分有漏电或短路,过大或UC3842的6脚输出脉冲波形不正常,Q1的开关损耗和发热量大增,导致Q1过热烧毁。高压故障的其他现象有指示灯闪烁,输出电压偏低且不稳定,一般是T1的引脚有虚焊,或者D3,R12开路,TL3842及其外围电路无工作电源。另有一种罕见的高压故障是输出电压偏高到120V以上,一般是U2失效,R13开路所致或U3击穿使U1的2脚电压拉低,6脚送出超宽脉冲。此时不能长时间通电,否则将严重烧毁低压电路。低压故障大部分是充电器与电池正负极接反,导致R27烧断,LM358击穿。其现象是红灯一直亮,绿灯不亮,输出电压低,或者输出电压接近0V,更换以上元件即可修复。另外W2因抖动,输出电压漂移,若输出电压偏高,电池会过充,严重失水,发烫,最终导致热失控,充爆电池。若输出电压偏低,会导致电池欠充。高低压电路均有故障时,通电前应首先全面检测所有的二极管,三极管,光耦合器4N35,场效应管,电解电容,集成电路,R25,R5,R12,R27,尤其是D4(16A60V,快恢复二极管),C10(63V,470UF)。避免盲目通电使故障范围进一步扩大。有一部分充电器输出端具有防反接,防短路等特殊功能。其实就是输出端多加一个继电器,在反接,短路的情况下继电器不工作,充电器无电压输出。还有一部分充电器也具有防反接,防短路的功能,其原理与前面介绍的不同,其低压电路的启动电压由被充电池提供,且接有一个二极管(防反接)。待电源正常启动后,就由充电器提供低压工作电源。
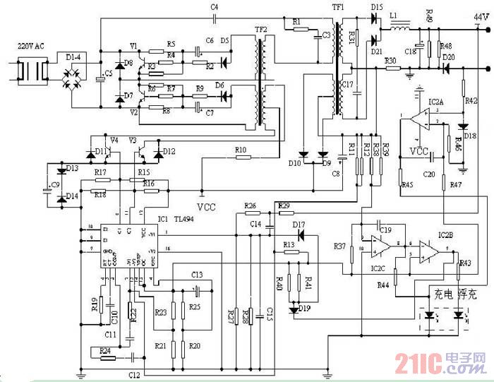
第二种充电器的控制芯片一般是以TL494为核心,推动2只13007高压三极管。配合LM324(4运算放大器),实现三阶段充电。见图表2

220V交流电经D1-D4整流,C5滤波得到300V左右直流电。此电压给C4充电,经TF1高压绕组,TF2主绕组,V2等形成启动电流。TF2反馈绕组产生感应电压,使V1,V2轮流导通。因此在TF1低压供电绕组产生电压,经D9,D10整流,C8滤波,给TL494,LM324,V3,V4等供电。此时输出电压较低。TL494启动后其8脚,11脚轮流输出脉冲,推动V3,V4,经TF2反馈绕组激励V1,V2。使V1,V2,由自激状态转入受控状态。TF2输出绕组电压上升,此电压经R29,R26,R27分压后反馈给TL494的1脚(电压反馈)使输出电压稳定在41.2V上。R30是电流取样电阻,充电时R30产生压降。此电压经R11,R12反馈给TL494的15脚(电流反馈)使充电电流恒定在1.8A左右。另外充电电流在D20上产生压降,经R42到达LM324的3脚。使2脚输出高电压点亮充电灯,同时7脚输出低电压,浮充灯熄灭。充电器进入恒流充电阶段。而且7脚低电压拉低D19阳极的电压。使TL494的1脚电压降低,这将导致充电器最高输出电压达到44.8V。当电池电压上升至44.8V时,进入恒压阶段。当充电电流降低到0.3A—0.4A时LM324的3脚电压降低,1脚输出低电压,充电灯熄灭。同时7脚输出高电压,浮充灯点亮。而且7脚高电压抬高D19阳极的电压。使TL494的1脚电压上升,这将导致充电器输出电压降低到41.2V上。充电器进入浮充。
