0
问答首页 最新问题 热门问题 等待回答标签广场
我要提问

电源电路电源

正负对称直流稳压电源电路

正负对称直流稳压电源电路
提问者:梧斯源采购 地点:- 浏览次数:878 提问时间:01-02 10:53
我有更好的答案
提 交
1条回答
DH9527 01-04 11:04

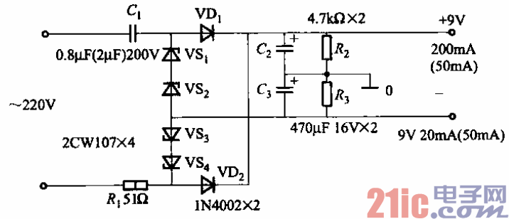
18.正负对称直流稳压电源电路.gif


它能提供正负

对称的两组直流电压。

    为使输出电压对称,4只稳压管采用

型号相同、稳压值尽量一致的,且电容

Cz、c3的容量要相同。

撰写答案
提 交
1 / 3
1 / 3
相关电源电路
无噪声的的功放电源电路
LG CF-25H84彩电开关电源电路
LG MC-8AA机心彩电开关电源电路
LG MC-022A机心彩电开关电源电路
LG MC-019A机心彩电开关电源电路
相关电源
TDA16846组成的彩电开关电源原理图
联想LX-PL4C2型彩色显示器开关电源电路
长虹CN-9机心彩电开关电源电路
索尼KV2184彩电开关电源电路
王牌TCL-3460D彩电开关电源电路