0
问答首页 最新问题 热门问题 等待回答标签广场
我要提问

电源电路电源

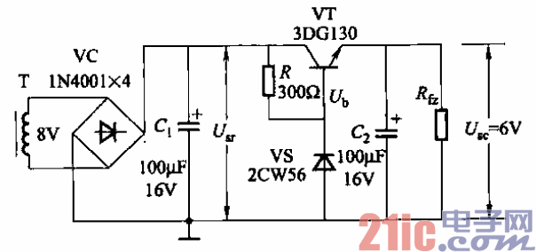
单管串联型晶体管稳压电源电路之一

单管串联型晶体管稳压电源电路之一
提问者:hu_qw 地点:- 浏览次数:10254 提问时间:04-14 15:00
我有更好的答案
提 交
1条回答
cmklsa 04-18 22:01

19.单管串联型晶体管稳压电源电路之一.gif


单管串联型晶体管稳压电源的工作原理是:当电网电压或负载电流变化而引起输出电压

U。。波动时,由取样环节的取样电压与基准

电压比较,其差值经比较放大器放大,改

变阔整管两端的电压,来抵偿U;。的变化而

稳压。它采用NPN型三极管。

撰写答案
提 交
1 / 3
1 / 3
相关电源电路
无噪声的的功放电源电路
LG CF-25H84彩电开关电源电路
LG MC-8AA机心彩电开关电源电路
LG MC-022A机心彩电开关电源电路
LG MC-019A机心彩电开关电源电路
相关电源
TDA16846组成的彩电开关电源原理图
联想LX-PL4C2型彩色显示器开关电源电路
长虹CN-9机心彩电开关电源电路
索尼KV2184彩电开关电源电路
王牌TCL-3460D彩电开关电源电路