0
问答首页 最新问题 热门问题 等待回答标签广场
我要提问

家用电器电源

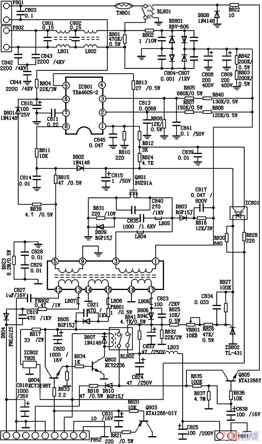
金星C7458彩电电源电路图

金星C7458彩电电源电路图
提问者:加欢加欢 地点:- 浏览次数:7619 提问时间:07-17 22:23
我有更好的答案
提 交
1条回答
胡bbs4 07-20 18:24

金星C7458彩电电源电路图


金星C7458彩电电源电路图

撰写答案
提 交
1 / 3
1 / 3
相关家用电器
胆机cs8412+df1700+pcm58组合,廉价好声的电路电路图
胆机PCM1793电路图
用晶体管/三极管以PWM波形来驱动风扇的电路图
胆机TDA1541NOS DAC胆版电源电路图
有正反转功能变频器的可逆电路
相关电源
TDA16846组成的彩电开关电源原理图
联想LX-PL4C2型彩色显示器开关电源电路
长虹CN-9机心彩电开关电源电路
索尼KV2184彩电开关电源电路
王牌TCL-3460D彩电开关电源电路